電話咨詢:
0411-85647888
企業郵箱 :
ywy@ywygs.com


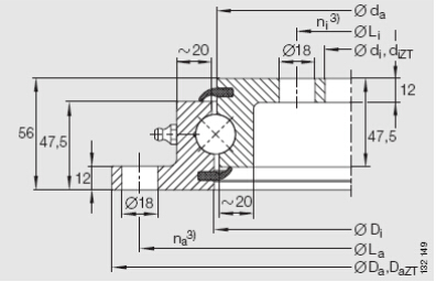
| 選擇 | 詢價 | 型號 | 尺寸(mm) | 螺栓孔直徑(mm) | 重量 | |||||
|---|---|---|---|---|---|---|---|---|---|---|
| Da | Di | H | La | Li | na3) | ni3) | (Kg) | |||
| SD.505.20.00.C | 518 | 304 | 56 | 490 | 332 | 8 | 12 | 23 | ||
| SD.650.20.00.C | 648 | 434 | 56 | 620 | 462 | 10 | 14 | 34 | ||
| SD.750.20.00.C | 748 | 534 | 56 | 720 | 562 | 12 | 16 | 40 | ||
| SD.850.20.00.C | 848 | 634 | 56 | 820 | 662 | 12 | 16 | 46 | ||
| SD.950.20.00.C | 948 | 734 | 56 | 920 | 762 | 14 | 18 | 52 | ||
| SD.1050.20.00.C | 1048 | 834 | 56 | 1020 | 862 | 16 | 20 | 58 | ||
| SD.1200.20.00.C | 1198 | 984 | 56 | 1170 | 1012 | 16 | 20 | 67 | ||